联系我们

苏州晨明仪器仪表有限公司
联系人:周先生 13806247361
电话:0512-53442585
传真:0512-53442587
网址:http://www.szcmyb.com
E-mail:cm@szcmyb.com
地址:太仓市洛阳东路6号



产品详细

20

产品名称: PHG-2288智能酸度计

发布日期: 2018-11-05

点击数: 3558

询价: 点击产品询价

二维码:

产品详情

一、特点
    ·引进国外的先进技术及关键部件、确保仪表具有较高的灵敏度及长时间可靠运行;
    ·采用两点校正技术,高精度V/F转换等电路,以及计算机智能化处理,保证仪表具有更高的精度和可靠性;
    ·采用复合电极、温度自动补偿等配套电路及传输技术,抗干扰能力强,传输距离远;
    ·采用温漂自动校正技术,使测量数据更可靠;
    ·具有自动软件校正,无须手动调节定位斜率。
二、外形尺寸
    150×150×160mm(宽×高×深) 开孔尺寸:138+1×138+1
   
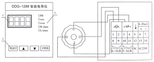
三、仪表接线示意图
    1.高阻放大器输入,输出接线端
    ·1、2:DC24V输入端,电流输出接入端;
    ·3、4:4-20mA电流输出端
    ·3:电缆屏蔽接线端
    ·5、6:温度传感器输入端
    ·7、8电极输入端 
    ·1、2:高阻放大器
    ·3、4:DC24V输出端
    ·5:电缆屏蔽接线端
    ·6、7:4-20mA电流输出
    ·8、9:上限报警输出
    ·10、11:下限报警输出
    ·13、14:220VAC电源
    2.二次仪表接线

版权所有:苏州晨明仪器仪表有限公司    苏TCP备11023073号   技术支持:仕德伟科技

暂无数据
在线客服